咨询热线
13196817797
支柱绝缘子
发布者:admin 发布时间:2019-04-17 20:25:38

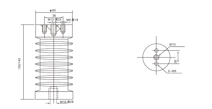
该支柱绝缘子采用环氧树枝真空浇注一次成型,具有良好的绝缘效果,等同于FN7支柱绝缘子。产品主要使用在10KV开关柜上,尺寸为Φ65×140(130)mm。对特殊要求的产品﹑规格尺寸需改进的可按用户要求设计制造。

  • 产品选购须知
    订购须知:
    产品:支柱绝缘子
    适用电压等级:10KV
    型号:Φ65×140(130)mm(种类较多)。
  • 产品技术文档 支柱绝缘子 - 技术文档 查看
服务热线
13196817797