概述
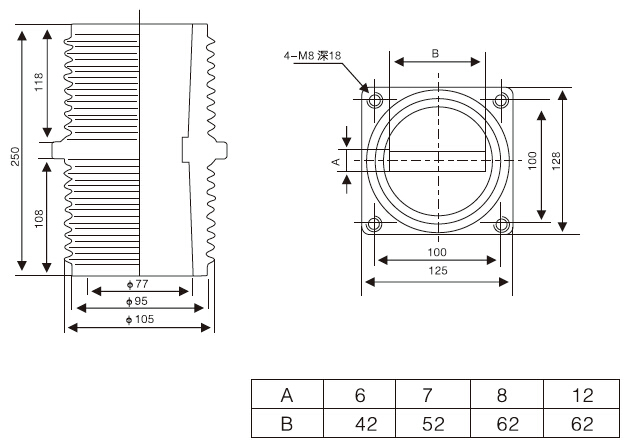
12KV穿墙套管为环氧树脂APG工艺压力凝胶成型结构,主要适用于额定电压为10KV及以下的成套设备中,作绝缘隔离和联接过度之用。套管耐污及潮湿,无需特别维护,只需定期地清理表面污质。安装时母排从孔内穿过。
使用条件
1.户内装置;
2.海拔高度不超过1000M;
3.周围气温+40℃~5℃;
4.当空气温度+20℃时,相对湿度布超过85%;
5.无严重影响触头盒绝缘的气体、蒸汽、灰尘及其它爆炸性和腐蚀介质的场所。
