咨询热线
13196817797
高压触头盒
发布者:admin 发布时间:2019-04-16 20:02:17

概述
        触头盒为环氧树脂APG工艺压力凝胶成型结构,用于各种手车式开关柜,起绝缘隔离和联接过渡作用。
使用条件
        1.海拔高度不超过1000M;
        2.周围气温+40℃~10℃;
        3.当空气温度+20℃时,相对湿度布超过95%;
        4.无严重影响触头盒绝缘的气体、蒸汽、灰尘及其它爆炸性和腐蚀介质的场所。
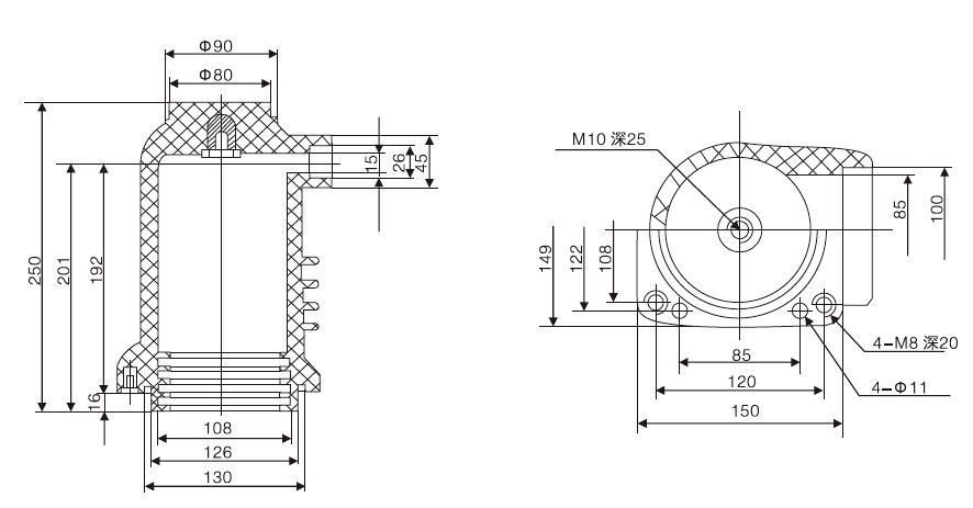
外形尺寸图

  • 产品选购须知
    订购须知:
    产品:高压触头盒
    适用电压等级:10KV
    型号:150(种类较多)。
  • 产品技术文档 高压触头盒 - 技术文档 查看
服务热线
13196817797